Mobot Kit
This document will describe a demonstration Mobot that can follow the white line. The parts for this Mobot can be purchased as a kit from the Mobot committee. While this kit is capable of following the white line, the vehicle as is cannot travel very far on the course. Therefore, to do well in the competition you will have to expand upon the kit. It is our hope that providing a starting point will increase both the number and quality of Mobots in the competition.
- PARTS LIST
- DATA SHEETS: For Quad Comparator, Infrared LED, Phototransistor and Power MOSFET
- COMPONENT DESCRIPTIONS
- LINE-FOLLOWING METHOD
- DESCRIPTION OF CIRCUIT OPERATION
- MOUSE CHASSIS
- DESIGN DECISIONS
- PRICES FOR MOBOT KIT
PARTS LIST
- U1: LM339 Quad comparator
- D1,D4: QSD523 infrared LED
- Q1,Q3: QSD124 phototransistor
- Q2,Q4: N-challel power MOSFET
- D2,D5: Red LED
- D3,D6: 1 Amp, 50V Fast Recovery Rectifier
- R1,R6: 500 ohm
- R2,R7: 10k ohm
- R3,R8: 100k ohm potentiometer
- R4,R9: 100k ohm
- R5,R10: 1k ohm
- 2 dc motors [or the mouse chassis available with the kit]
DATA SHEETS: For Quad Comparator, Infrared LED, Phototransistor and Power MOSFET
- International Rectifier IRLD024 hexfet
- QT Optoelectronics (QED523 emitter and QSD124 phototransistor)
- National Semiconductor LM339 comparator
COMPONENT DESCRIPTIONS
U1 is a single chip which contains four comparator circuits. Each comparator has two inputs, + and - , and one output. When the voltage at the - input is reater than the voltage at the + input, the output of the comparator is grounded: when the + input is greater than the -input, the output is an open collector (effectively a non-connection).
Q1 and Q3 are phototransistors, with maximum sensitivity in the infrared band of the spectrum. The current flow through the phototransistor is determined by the amount of light it receives. The more light it receives, the higher the current flow through it.
D1, D2, D4, and D5 are LEDs (light emiting diodes). D1 and D4 produce light in the infrared spectrum (800 nm) and can be used for illuminating the white line. D2 and D5 produce a diffused red light.
Q2 and Q4 are N-channel power MOSFETs (metal-oxide-semiconductor field-effect transistors). For this circuit, they are used as voltage controlled switches. When the voltage at the gate (G) of the MOSFET is grounded, no current flows between the drain (D) and the source (S). When G is sufficiently positive (for this circuit, this is the only possible condition other than grounded), current flows between D and S as if it were a resistor of less than 1 ohm.
The motors are simple DC motors. When current is applied they rotate. If the current is reversed, the rotation of the motor is also reversed.
LINE-FOLLOWING METHOD
This Mobot works by having two sensors, one on each side of the painted line, and two motors, each driving one wheel. Each sensor consists of an infrared LED and an infrared phototransistor. The LED and phototransistor are positioned such that the phototransistor is receiving light from the LED, reflected off the ground. The white paint reflects more infrared light than the unpainted concrete, and this difference can be used to determine when the sensor is over the line. Each motor is connected to the sensor that is on the same side of the Mobot. When both sensors are not over the line, both motors run, driving the Mobot forward. When one of the sensors is over the line, the motor on that side is shut off. This causes the Mobot to turn to that side, until the sensor is no longer over the line, at which time it will continue forward again. With a sensor on each side, the Mobot is then capable of following the line.
This method has been used by many race participants in the past, using various types of sensors, vehicles, and control circuits. It is one of the simplest methods, and is not directly capable of making decisions. However, in past competitions there have been prize-winning Mobots that either did not reach the decision point during the allotted time, or failed to choose a path at the decision point.
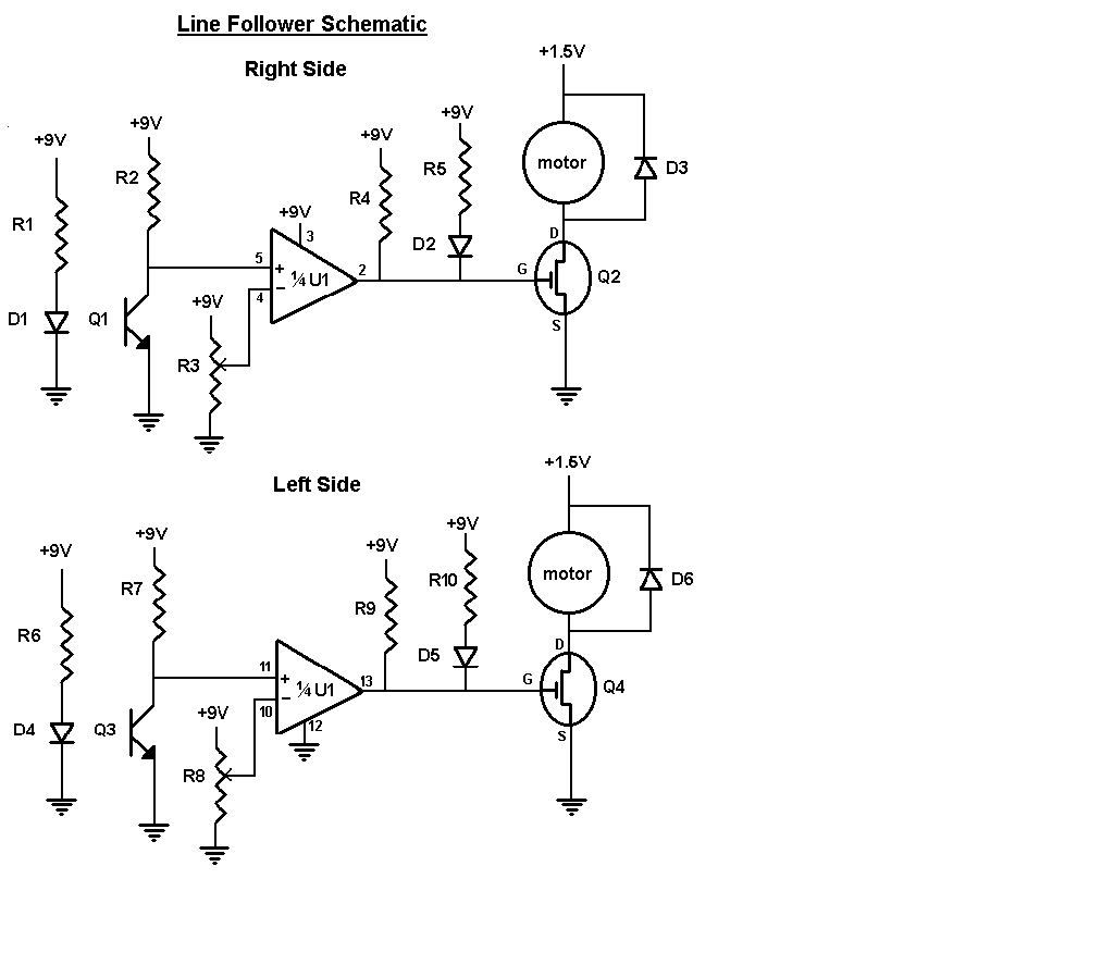
DESCRIPTION OF CIRCUIT OPERATION
The circuit consists of two indentical halves, one for the left side and one for the right side, so this description will cover one of the sides (the part numbers will refer to the ones on the top schematic diagram). See Line Follower Schematic. First, a description of how the sensor functions: D1 emits a continuous beam of infrared light. R1 limits the current flow through D1, and is chosen to allow D1 to produce a constant beam without exceeding the maximum current D1 can handle. The detector Q1 receives light reflected from the ground from D1. The amount of light that Q1 receives determines the current flow through R2 and Q1. As more current flows through the R2 and Q1 branch of the circuit, the voltage drop across R2 will increase, so the voltage drop across Q1 will decrease.
To determine the over-the-line condition, one of the comparators from U1 is used. The voltage across Q1 is connected to the + input, and a reference voltage is connected to the - input. The reference voltage is controlled by the potentiometer R3. R3 allows the reference voltage to be set anywhere from +9V to 0V, and should be set for optimum line detection (discussed later) so that when Q1 is over the line the + input is less than the - input, and when Q1 is not over the line, the + input is greater than the - input. When the + input of the comparator is greater than the - input (i.e. the sensor is not over the line), there exists an open-collector condition. No current flows through R5 and D2, so D2 is dark. since R4 is connected to the output of the comparator, the effective comparator output (and G of Q2) is 9V. This is sufficiently high to allow current to flow through Q2, running the motor. When the + input of the comparator is less than the - input (i.e., the sensor is over the line), the comparator output is grounded. Current flows through R5 and D2, so D2 is lit. Q2's G is grounded, so no current flows through Q2 and the motor does not run. R5 is used to limit the current flowing through D2, and D3 is connected across the motor to protect Q2 from the voltage produced in the motor when Q2 shuts off.
Setting the potentiometers is something that may be a bit tricky in practice (depending on the arrangement of the sensors and the current level of sunlight, there may be a very small difference in the voltage across Q1 when the sensor is over the line versus when it is not). The following method is not the only way to set the potentiometers; feel free to ignore it if you have another method.
Start with the Mobot on the unpainted sidewalk. Set the potentiometers to the point where the red LEDs just turn off, and record where the potentiometer is set (mark it with a pencil, measure the angle of the slot, or whatever works for you). Then place the Mobot so that both sensors are over the line. Now set the potentiometers to the point where the red LEDs just turn on, and record that setting. The optimum setting should be somewhere between those marks. To find it, run the Mobot through the course. If it skips over the line, adjust the sensor that missed the line until it detects the line at that point. If it turns when not over the line, adjust the sensor while over the sidewalk where it turned. You should be able to find a setting for the potentiometers that will allow the Mobot to get to the decision point.
MOUSE CHASSIS
The mouse chassis available with the kit was used for the prototype Mobot. It was constructed according to the directions that came with it, except for the wiring and the cover. The prototype wiring will be described here, and effectively replaces step 6 of the mouse construction directions.
First of all, the switch lever is not used. Then the circuit is wired as follows. The positive terminal of the C battery holder is connected to one of the switch terminals. The other switch terminal is connected to the + terminal on both of the motors. The negative terminal of the C battery holder is connected to the negative terminal of the 9v battery holder of the circuit. The other terminal of each motor is connected to the corresponding MOSFET of the circuit. In addition, the rectifier diodes of the circuit were connected directly across the terminals of the motors.
DESIGN DECISIONS
There are many things that need to be considered when building the kit, and if you plan to expand on the kit. Some of the more important considerations are listed below. This is by no means a complete list, but should give a good starting point as to the things that need to be done.
Sensor issues:
- arrangement of sensor elements (LED & phototransistor)
- parallel to each other, pointing straight down
- in a v-shape pointing at the same spot
- placement of the sensors
- height above the ground
- distance between them
- where on the Mobot to place them
- dealing with sunlight (a large source of infrared light...) and shadows
Vehicle issues:
- how fast to make it (so that it can still make the turns)
- how will it handle the hills (acceleration)
- can it traverse all of the cracks in the sidewalk (the kit vehicle cannot)
PRICES FOR MOBOT KIT
- Mouse Chassis #includes two C-cell batteries): $10.00
- Sensors/Electronics: $15.00
- Wire Wrap Tool: $7.00
- Manual - Getting Started in Electronics: $5.00
Mobot kits are available in Wean Hall 4101, 268-8525.