The E-Meter Circuit

The following is a detailing of the complete circuit for an E-Meter. This is placed in the public domain for use without restriction.

A somewhat simpler circuit could be designed for experimentation but this one contains all I have found necessary for an effective meter to use through all the upper levels.

I generally use disposable batteries. With low current op-amps such as the MC33174 the total power consumption of the circuit is under a milliamp.

To maintain calibration the circuit should be powered through a 5 volt regulator. A low power type should be chosen. These standardly come as 3 terminal devices. One terminal goes to a common ground, one to the battery +ve and the other is the regulated output. A 100uF capacitor should be connected across the 5 volt supply for stabilization.

The meter uses a quad op-amp. The MC33174 works well. If it is not available then others such as a TL074 should be fine but the power consumption is higher.

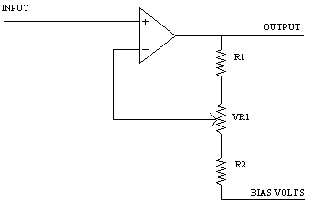
I shall detail the circuit in parts and explain each. Firstly the circuit requires a bias voltage. One of the op amps is used to provide this:

R1 100K, R2 47K, VR1 100K preset

This is main bridge circuit.

R1 10k, R2 22k, R3 5.6k

VR1 is the TA pot and should be a good quality wirewound 20k

VR2 50k preset for adjusting TA 3.0

VR3 10k preset for adjusting TA 6.5

VR4 10k preset for adjusting TA 2.0

C1 is .001uF for removing R.F.

The output goes to this next stage which is the main amplifier controlled by the sensitivity pot:

VR1 is a good quality 20k wirewound pot. R1,R2 = 1.5K

This section gives additional gain so that the sensitivity pot range is spread more evenly. R1,R4 = 22k. R2 = 100k

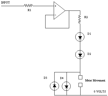
Finally an output buffer is used to prevent any back e.m.f. from the meter movement causing unwanted changes in the negative feedback path.

R1 22k, R2 1k .

The diodes are standard silicon signal diodes. 22 turn good quality presets should be used. Cheaper ones can cause dirty needles.

The meter movement is a high quality 100 microamp F.S.D. taut band movement. It needs to have a fast response with the needle coming to rest as quickly as possible. The CofS use a movement which is underdamped and takes 3 seconds to come to rest. This makes the meter difficult to read and has no advantages that I have seen.

The circuit is calibrated in several stages:

1. Adjust the bias voltage so that with the needle on "set" adjusting the sensitivity does not appreciably move the needle.

2. Adjust the TA 6.5 preset so that the needle comes to set with no resistance across the PC connections.

3. For calibrating TA 2 and TA 3 resistors of 5K and 12.5K are required. The presets need to be adjusted so that TA 2 and TA 3 are both positioned correctly. TA 6.5 may then need to readjusted. The 3 presets are interdependant so it will probably be necessary to readjust them in sequence several times.